Главная > Подшипники> Шариковые> Радиальные сферические>6-50212

6-50212 — Подшипник шариковый радиальный однорядный с канавкой на наружном кольце, импортное производство по ISO стандарту, размер 60x110x22 номер основного исполнения 50212.
Цена по запросу
Цена на подшипник зависит от:
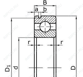
Габаритные размеры
Размеры и геометрические характеристики
Однорядный цилиндрический роликовый подшипник NJ212 (CRAFT, FBJ, ISB, ISO, KOYO)
Однорядный цилиндрический роликовый подшипник NU212 (CRAFT, FBJ, ISB, ISO, KOYO)
Подшипник шариковый радиальный 6-212
Подшипник шариковый радиальный 4-212 (ГПЗ-3)
Подшипник роликовый сферический 20212 (FAG, ISO)