Главная > Подшипники> Шариковые> Радиальные сферические>6-50207

6-50207 — Подшипник шариковый радиальный однорядный с канавкой на наружном кольце, отечественное производство по ГОСТ стандарту, размер 35x72x17 номер основного исполнения 50207.
Производитель: ГПЗ-3.
Цена по запросу
Цена на подшипник зависит от:
| Обозначение | Модификация |
|---|---|
| 50207 | Основное конструктивное исполнение. |
| 50207АЕ | А = Увеличенная грузоподъемность подшипника. Е = Сепаратор из пластического материала (Текстолит, полиамид и т.д.). |
| 50207 А | А = Подшипник повышенной грузоподьемности. ГОСТ |
| 50207 К5 | К5 = Конструктивное изменение зависящее от типа подшипника. |
| 70-50207 А | А = Подшипник повышенной грузоподьемности. ГОСТ |
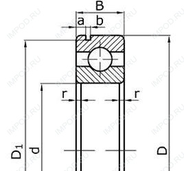
Габаритные размеры
Размеры и геометрические характеристики
Однорядный цилиндрический роликовый подшипник NJ207 (CRAFT, FAG, FBJ, ISB, ISO)
Однорядный цилиндрический роликовый подшипник NU207 (CRAFT, FBJ, IBC, ISB, ISO)
Подшипник однорядный шариковый радиальный 6 -207 (AST, CRAFT, CX, CYSD, FAG)
Подшипник роликовый сферический 20207 (FAG, ISO, SIGMA)
однорядный радиальный шарикоподшипник с пазом для ввода шариков 207
Подшипник шариковый радиальный сферический двухрядный с цилиндрическим отверстием внутреннего кольца 1207