Главная > Подшипники> Шариковые> Радиальные>6-50204 Ю

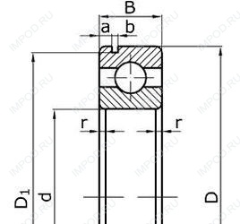
6-50204 Ю — Подшипник шариковый радиальный однорядный с канавкой на наружном кольце, отечественное производство по ГОСТ стандарту, размер 20x47x14 номер основного исполнения 50204.
Производитель: ГПЗ-4.
Ю - Подшипник выполнен из нержавеющей стали.
Цена по запросу
Цена на подшипник зависит от:
Габаритные размеры
Защита
Конструкция и исполнение
Однорядный цилиндрический роликовый подшипник NJ204 (CRAFT, FAG, FBJ, ISB, ISO)
Однорядный цилиндрический роликовый подшипник NU204 (CRAFT, FBJ, ISB, ISO, KOYO)
Подшипник шариковый радиально-упорный QJ204 (CX, ISO, NKE)
Подшипник шариковый радиально-упорный однорядный разъемный со съемным наружным кольцом с углом контакта 12 6204 (ГПЗ-11)
Подшипник шариковый радиальный 4-204 (ГПЗ-4)