Главная > Подшипники> Шариковые> Радиальные>6-50107 Е

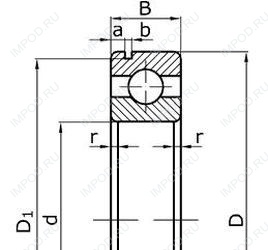
6-50107 Е — Подшипник шариковый радиальный однорядный с канавкой на наружном кольце, отечественное производство по ГОСТ стандарту, размер 35x62x14 номер основного исполнения 50107.
E = Угол контакта 25 градусов.
Цена по запросу
Цена на подшипник зависит от:
| Обозначение | Модификация |
|---|---|
| 50107 | Основное конструктивное исполнение. |
Габаритные размеры
Размеры и геометрические характеристики
Подшипник однорядный шариковый радиальный 6007 (FAG, NIS)
Подшипник шариковый однорядный радиально-упорный 7007 (CYSD, FAG, KOYO, NACHI, NTN)
Однорядный цилиндрический роликовый подшипник NU1007 (CX, CYSD, FBJ, ISB, ISO)
Подшипник шариковый радиальный однорядный 107
Подшипник шариковый однорядный радиально-упорный HS7007 E.T.P4S.UL (FAG)