Главная > Подшипники> Шариковые> Радиально-упорные>5S-HSB921C

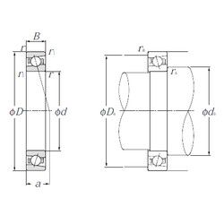
5S-HSB921C — Радиально-упорный шарикоподшипник, импортное производство по ISO стандарту, размер 105x145x20 номер основного исполнения 921.
Производитель: NTN.
S (Сегментное уплотнение, код 2L) = кулачковый толкатель, Camrol, герметичная версия. B = шестигранное отверстие ,заменяет шлиц отвертки в конце фланца штока.
Цена по запросу
Цена на подшипник зависит от:
| Обозначение | Модификация |
|---|---|
| 921 | Основное конструктивное исполнение. |
| HAR921 | |
| HAR921C | С = Необслуживаемые концы стержней, внутренняя резьба. |
| HSB921C | С = Необслуживаемые концы стержней, внутренняя резьба. |
| HAR921CA | CA = Цельный обработанный латунный сепаратор, двойной зуб, удерживающие фланцы на внутреннем кольце и направляющем кольце, центрированные на внутреннем кольце. |
| HTA921DB | D = профиль наружного кольца, усовершенствованный, с увеличенной зоной несущей нагрузки и оптимизированными краевыми переходами. |
| 3NCHAR921 | A = Модифицированная внутренняя конструкция. R = Наружное кольцо с фланцем. |
| 3NCHAC921C | AC = Угол контакта 25 градусов. |
| 3NCHAR921C | A = Модифицированная внутренняя конструкция. R = Наружное кольцо с фланцем. |
| 3NCHAC921CA | CA = Цельный обработанный латунный сепаратор, двойной зуб, удерживающие фланцы на внутреннем кольце и направляющем кольце, центрированные на внутреннем кольце. |
| 3NCHAF921CA | CA = Цельный обработанный латунный сепаратор, двойной зуб, удерживающие фланцы на внутреннем кольце и направляющем кольце, центрированные на внутреннем кольце. |
| 3NCHAR921CA | CA = Цельный обработанный латунный сепаратор, двойной зуб, удерживающие фланцы на внутреннем кольце и направляющем кольце, центрированные на внутреннем кольце. |
| 3NC HAR921C FT | C = отклоняющаяся или измененная внутренняя конструкция с одинаковыми граничными размерами. F = Механически обработанный сепаратор из стали или чугуна, центрируемый по телам качения. |
| 5S-2LA-HSE921G/GNP42 | GN = нормальная предварительная нагрузка. P = Литой сепаратор из стеклонаполненного полиамида 6,6, центрируемый по телам качения. |
| 5S-2LA-HSE921CG/GNP42 | GN = нормальная предварительная нагрузка. P = Литой сепаратор из стеклонаполненного полиамида 6,6, центрируемый по телам качения. |
| 5S-2LA-HSE921ADG/GNP42 | GN = нормальная предварительная нагрузка. P = Литой сепаратор из стеклонаполненного полиамида 6,6, центрируемый по телам качения. |
Габаритные размеры
Размеры и геометрические характеристики
Нагрузка и ресурс
Защита
Присоединительные размеры
Конструкция и исполнение
Подшипник однорядный шариковый радиальный 61921 (ISB, NKE, SIGMA, SKF, ZEN)
Подшипник шариковый однорядный радиально-упорный B71921 C.T.P4S.UL (FAG)
Подшипник шариковый однорядный радиально-упорный B71921 E.T.P4S.UL (FAG)
Подшипник однорядный шариковый радиальный 61921 C3 (NKE)