Главная > Подшипники> Шариковые> Радиально-упорные>5S-HSB010C

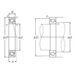
5S-HSB010C — Радиально-упорный шарикоподшипник, импортное производство по ISO стандарту, размер 50x80x16 номер основного исполнения .
Производитель: NTN.
S (Сегментное уплотнение, код 2L) = кулачковый толкатель, Camrol, герметичная версия. B = шестигранное отверстие ,заменяет шлиц отвертки в конце фланца штока.
Цена по запросу
Цена на подшипник зависит от:
Габаритные размеры
Размеры и геометрические характеристики
Нагрузка и ресурс
Защита
Присоединительные размеры
Конструкция и исполнение
Однорядный цилиндрический роликовый подшипник NU1010 (CX, CYSD, FBJ, ISB, ISO)
Подшипник шариковый однорядный радиально-упорный 7010 (CYSD, KOYO, NACHI, NTN, SKF)
Подшипник шариковый однорядный радиально-упорный B7010 C.T.P4S.UL (FAG)
Подшипник шариковый однорядный радиально-упорный B7010 E.T.P4S.UL (FAG)
Однорядный цилиндрический роликовый подшипник NU1010 M (AST, SKF)