Главная > Подшипники> Роликовые > Радиально-упорные>5E-3231/500G2

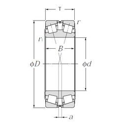
5E-3231/500G2 — Конический роликоподшипник, импортное производство по ISO стандарту, размер 500x830x264 номер основного исполнения .
Производитель: NTN.
G2 = установка с нормальным преднатягом.
Цена по запросу
Цена на подшипник зависит от:
Габаритные размеры
Размеры и геометрические характеристики
Нагрузка и ресурс
Защита
Коэффициенты для расчета
Присоединительные размеры
Конструкция и исполнение
Подшипник роликовый радиальный самоцентрирующийся 20-30037/500 Х (ГПЗ-1)
Подшипник роликовый радиальный самоцентрирующийся 30037/500 Х
Подшипник роликовый радиальный сферический двухрядный с цилиндрическим отверстием внутреннего кольца 30537/500Н
Подшипник роликовый радиальный самоцентрирующийся 30537/500
Подшипник роликовый радиальный сферический двухрядный с бортиками на внутреннем кольце с коническим отверстием внутреннего кольца, конусностью 1:12 31137/500
Подшипник роликовый радиальный самоцентрирующийся 31537/500