Главная > Подшипники> Роликовые > Радиально-упорные>598AS/592A

598AS/592A — Подшипник роликовый радиально-упорный, импортное производство по ISO стандарту, размер 92x152x39 номер основного исполнения .
Производитель: KBC.
Шайбы AS упорного игольчатого подшипника, соответствующие для AXK и K811, к DIN 5405-3 / ISO 303
Цена от:1 723 р.
Цена на подшипник зависит от:
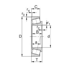
Габаритные размеры
Размеры и геометрические характеристики
Нагрузка и ресурс
Защита
Коэффициенты для расчета
Присоединительные размеры
Конструкция и исполнение
Конический роликоподшипник 4T-598/592A (NTN)
Конический роликоподшипник 4T-598A/592A (NTN)
Однорядный конический роликовый подшипник 598/592A (CX, FBJ, Fersa, ISB, ISO)
Однорядный конический роликовый подшипник 598A/592A (CX, FBJ, Fersa, ISO, NACHI)
Конический роликоподшипник 598/592-S (TIMKEN)
Однорядный конический роликовый подшипник 598X/592A (TIMKEN)