Главная > Подшипники> Роликовые > Радиально-упорные>595A/592XS

595A/592XS — Подшипник роликовый радиально-упорный, импортное производство по ISO стандарту, размер 79x139x36 номер основного исполнения .
Производитель: KOYO.
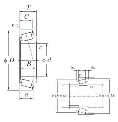
S = смазочный паз и три отверстия в наружном кольце подшипника.
Цена от:2 132 р.
Цена на подшипник зависит от:
Габаритные размеры
Размеры и геометрические характеристики
Нагрузка и ресурс
Защита
Коэффициенты для расчета
Присоединительные размеры
Конструкция и исполнение
Однорядный конический роликовый подшипник 578X/572 (TIMKEN)
Однорядный конический роликовый подшипник 578/572 (TIMKEN)