Главная > Подшипники> Роликовые > Радиально-упорные>595/592A

595/592A — Однорядный конический роликовый подшипник, импортное производство по ISO стандарту, размер 82x152x39 номер основного исполнения .
Производится брендами: CX, FBJ, ISO, TIMKEN.
A = внутренняя модификация конструкции.
Цена от:2 132 р.
Цена на подшипник зависит от:
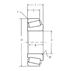
Габаритные размеры
Размеры и геометрические характеристики
Нагрузка и ресурс
Защита
Коэффициенты для расчета
Присоединительные размеры
Конструкция и исполнение