Главная > Подшипники> Роликовые > Радиально-упорные>581D/572+Y5S-572

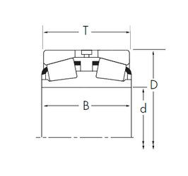
581D/572+Y5S-572 — Конический роликоподшипник, импортное производство по ISO стандарту, размер 80x139x80 номер основного исполнения .
Производитель: TIMKEN.
D = профиль наружного кольца, усовершенствованный, с увеличенной зоной несущей нагрузки и оптимизированными краевыми переходами.
Цена от:1 871 р.
Цена на подшипник зависит от:
Габаритные размеры
Размеры и геометрические характеристики
Защита
Конструкция и исполнение