Главная > Подшипники> Роликовые > Радиально-упорные>580R/572X

580R/572X — Подшипник роликовый радиально-упорный, импортное производство по ISO стандарту, размер 82x139x36 номер основного исполнения .
Производитель: KOYO.
X = Внешние размеры, соответствующие международным стандартам.
Цена от:1 256 р.
Цена на подшипник зависит от:
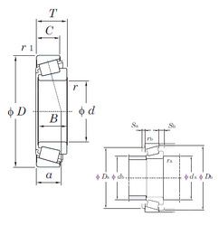
Габаритные размеры
Размеры и геометрические характеристики
Нагрузка и ресурс
Защита
Коэффициенты для расчета
Присоединительные размеры
Конструкция и исполнение
Конический роликоподшипник 47686/47621 (TIMKEN)
Конический роликоподшипник 47685/47621 (TIMKEN)
Конический роликоподшипник 4T-580/572 (NTN)
Конический роликоподшипник 4T-580/572X (NTN)
Однорядный конический роликовый подшипник 4T-582/572 (NTN)
Однорядный конический роликовый подшипник 580/572 (AST, CX, FBJ, Fersa, ISB)