Главная > Подшипники> Роликовые > Радиально-упорные>580/572X

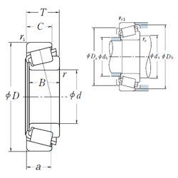
580/572X — Однорядный конический роликовый подшипник, импортное производство по ISO стандарту, размер 82x139x36 номер основного исполнения .
Производится брендами: CX, Fersa, ISO, NIS, NSK, TIMKEN.
X = Внешние размеры, соответствующие международным стандартам.
Цена от:3 873 р.
Цена на подшипник зависит от:
Габаритные размеры
Размеры и геометрические характеристики
Нагрузка и ресурс
Защита
Коэффициенты для расчета
Присоединительные размеры
Конструкция и исполнение
Прочие характеристики
Конический роликоподшипник 47686/47621 (TIMKEN)
Конический роликоподшипник 47685/47621 (TIMKEN)
Конический роликоподшипник 4T-580/572 (NTN)
Конический роликоподшипник 4T-580/572X (NTN)
Однорядный конический роликовый подшипник 4T-582/572 (NTN)
Однорядный конический роликовый подшипник 580/572 (AST, CX, FBJ, Fersa, ISB)