Главная > Подшипники> Роликовые > Радиально-упорные>577R/572

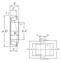
577R/572 — Подшипник роликовый радиально-упорный, импортное производство по ISO стандарту, размер 74x139x36 номер основного исполнения .
Производитель: KOYO.
R = Наружное кольцо с фланцем .
Цена по запросу
Цена на подшипник зависит от:
Габаритные размеры
Размеры и геометрические характеристики
Нагрузка и ресурс
Защита
Коэффициенты для расчета
Присоединительные размеры
Конструкция и исполнение
Конический роликоподшипник 4T-577/572 (NTN)
Однорядный конический роликовый подшипник 577/572 (CX, FBJ, ISO, NACHI, TIMKEN)
Конический роликоподшипник 577/572-B (TIMKEN)