Главная > Подшипники> Роликовые > Радиально-упорные>576R/572

576R/572 — Подшипник роликовый радиально-упорный, импортное производство по ISO стандарту, размер 73x139x36 номер основного исполнения .
Производитель: KOYO.
R = Наружное кольцо с фланцем .
Цена по запросу
Цена на подшипник зависит от:
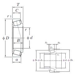
Габаритные размеры
Размеры и геометрические характеристики
Нагрузка и ресурс
Защита
Коэффициенты для расчета
Присоединительные размеры
Конструкция и исполнение
Конический роликоподшипник 4T-576/572 (NTN)
Однорядный конический роликовый подшипник 576/572 (CX, FBJ, Fersa, ISO, TIMKEN)