Главная > Подшипники> Роликовые > Радиально-упорные>575SR/572

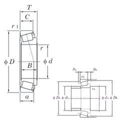
575SR/572 — Подшипник роликовый радиально-упорный, импортное производство по ISO стандарту, размер 76x139x36 номер основного исполнения .
Производитель: KOYO.
S = смазочный паз и три отверстия в наружном кольце подшипника.
Цена от:1 634 р.
Цена на подшипник зависит от:
Габаритные размеры
Размеры и геометрические характеристики
Нагрузка и ресурс
Защита
Коэффициенты для расчета
Присоединительные размеры
Конструкция и исполнение
Конический роликоподшипник 47679/47621 (TIMKEN)
Конический роликоподшипник 47680/47621 (TIMKEN)
Однорядный конический роликовый подшипник 4T-575/572 (NTN)
Конический роликоподшипник 4T-575S/572 (NTN)
Конический роликоподшипник 4T-575/572X (NTN)
Подшипник роликовый радиально-упорный 515-764 (FLT)