Главная > Подшипники> Роликовые > Радиально-упорные>57508L2/28521.L

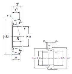
57508L2/28521.L — Подшипник роликовый радиально-упорный, импортное производство по ISO стандарту, размер 42x92x24 номер основного исполнения .
Производитель: KOYO.
L = массивный сепаратор из лёгкого сплава.
Цена по запросу
Цена на подшипник зависит от:
Габаритные размеры
Размеры и геометрические характеристики
Защита
Конструкция и исполнение