Главная > Подшипники> Роликовые > Радиально-упорные>57180F4

57180F4 — Подшипник роликовый радиально-упорный, импортное производство по ISO стандарту, размер 61x146x41 номер основного исполнения .
Производитель: KOYO.
Механически обработанный сепаратор из стали или чугуна, центрируемый по телам качения.
Цена по запросу
Цена на подшипник зависит от:
Габаритные размеры
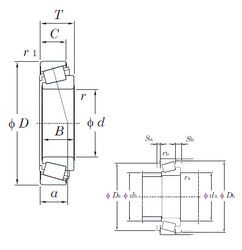
Размеры и геометрические характеристики
Защита
Конструкция и исполнение
Конический роликоподшипник 4T-H913842/H913810 (NTN)
Подшипник роликовый радиально-упорный H913842/10 (CX, ISO)
Подшипник роликовый радиально-упорный H913843/10 (CX, ISO)
Однорядный конический роликовый подшипник H913842/H913810 (FBJ, Fersa, NACHI, NIS, NSK)
Однорядный конический роликовый подшипник H913843/H913810 (Fersa, TIMKEN)