Главная > Подшипники> Роликовые > Радиально-упорные>57114J

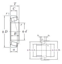
57114J — Подшипник роликовый радиально-упорный, импортное производство по ISO стандарту, размер 42x100x38 номер основного исполнения .
Производитель: KOYO.
J = Сепаратор стальной штампованный незакалённый.
Цена по запросу
Цена на подшипник зависит от:
Габаритные размеры
Размеры и геометрические характеристики
Защита
Конструкция и исполнение