Главная > Подшипники> Роликовые > Радиально-упорные>57085

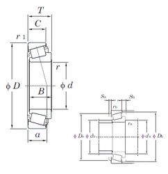
57085 — Подшипник роликовый радиально-упорный, импортное производство по ISO стандарту, размер 75x115x25 основное исполнение.
Производитель: KOYO.
Цена по запросу
Цена на подшипник зависит от:
Габаритные размеры
Размеры и геометрические характеристики
Защита
Конструкция и исполнение
Однорядный конический роликовый подшипник 32015 (CRAFT, CYSD, FBJ, ISB, ISO)
Однорядный конический роликовый подшипник 32015 X (FAG, NIS, NKE, NTN, PFI)
Подшипник роликовый радиально-упорный конический однорядный повышенной грузоподъемности 2007115 А
Подшипник роликовый радиально-упорный 2007115A (EPK)
Подшипник роликовый радиально-упорный конический однорядный повышенной грузоподъемности 3007115А
Подшипник роликовый радиально-упорный конический однорядный повышенной грузоподъемности с упорным бортом на наружном кольце 3067115А