Главная > Подшипники> Роликовые > Радиально-упорные>57008R

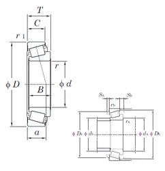
57008R — Подшипник роликовый радиально-упорный, импортное производство по ISO стандарту, размер 20x47x15 номер основного исполнения .
Производитель: KOYO.
R = Наружное кольцо с фланцем .
Цена по запросу
Цена на подшипник зависит от:
Габаритные размеры
Размеры и геометрические характеристики
Нагрузка и ресурс
Защита
Коэффициенты для расчета
Присоединительные размеры
Конструкция и исполнение
Однорядный конический роликовый подшипник 30204 (CRAFT, CYSD, FAG, FBJ, ISB)
Однорядный конический роликовый подшипник 30204 J2 (FAG)