Главная > Подшипники> Роликовые > Радиально-упорные>567S/563

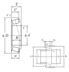
567S/563 — Однорядный конический роликовый подшипник, импортное производство по ISO стандарту, размер 71x127x36 номер основного исполнения .
Производится брендами: KOYO, NIS, NSK, TIMKEN.
S = смазочный паз и три отверстия в наружном кольце подшипника.
Цена от:1 217 р.
Цена на подшипник зависит от:
Габаритные размеры
Размеры и геометрические характеристики
Нагрузка и ресурс
Защита
Коэффициенты для расчета
Присоединительные размеры
Конструкция и исполнение
Прочие характеристики
Конический роликоподшипник 4T-567A/563 (NTN)
Конический роликоподшипник 4T-HM813849/HM813810 (NTN)
Однорядный конический роликовый подшипник 567A/563 (CX, FBJ, ISO, KOYO, NIS)
Однорядный конический роликовый подшипник 567A/563-B (TIMKEN)
Однорядный конический роликовый подшипник HM813849/HM813811 (Fersa, KOYO, NACHI, TIMKEN)
Однорядный конический роликовый подшипник HM813849/HM813810 (Fersa, TIMKEN)