Главная > Подшипники> Роликовые > Радиально-упорные>566S/563

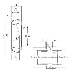
566S/563 — Подшипник роликовый радиально-упорный, импортное производство по ISO стандарту, размер 69x127x36 номер основного исполнения .
Производится брендами: KOYO, TIMKEN.
S = смазочный паз и три отверстия в наружном кольце подшипника.
Цена от:4 175 р.
Цена на подшипник зависит от:
Габаритные размеры
Размеры и геометрические характеристики
Нагрузка и ресурс
Защита
Коэффициенты для расчета
Присоединительные размеры
Конструкция и исполнение
Конический роликоподшипник 4T-566/563 (NTN)
Конический роликоподшипник 4T-HM813846/HM813810 (NTN)
Однорядный конический роликовый подшипник 566X/563 (TIMKEN)
Однорядный конический роликовый подшипник 566/563 (CX, FBJ, Fersa, ISB, ISO)
Однорядный конический роликовый подшипник 566/563X (NIS, NSK)
Однорядный конический роликовый подшипник 566/563-B (TIMKEN)