Главная > Подшипники> Роликовые > Радиально-упорные>565S/563

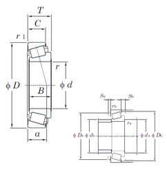
565S/563 — Подшипник роликовый радиально-упорный, импортное производство по ISO стандарту, размер 63x161x36 номер основного исполнения .
Производитель: KOYO.
S = смазочный паз и три отверстия в наружном кольце подшипника.
Цена от:1 887 р.
Цена на подшипник зависит от:
Габаритные размеры
Размеры и геометрические характеристики
Нагрузка и ресурс
Защита
Коэффициенты для расчета
Присоединительные размеры
Конструкция и исполнение