Главная > Подшипники> Роликовые > Радиально-упорные>56425R/56650

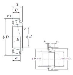
56425R/56650 — Однорядный конический роликовый подшипник, импортное производство по ISO стандарту, размер 107x165x36 номер основного исполнения .
Производитель: KOYO.
R = Наружное кольцо с фланцем .
Цена от:4 121 р.
Цена на подшипник зависит от:
Габаритные размеры
Размеры и геометрические характеристики
Нагрузка и ресурс
Защита
Коэффициенты для расчета
Присоединительные размеры
Конструкция и исполнение
Однорядный конический роликовый подшипник 141107X/ 141165X (Gamet)
Подшипник роликовый радиально-упорный 141107X/141165XC (Gamet)
Однорядный конический роликовый подшипник 4T-56425/56650 (NTN)
Конический роликоподшипник 4T-56426/56650 (NTN)
Однорядный конический роликовый подшипник 56425/56650 (CX, FBJ, Fersa, ISO, KOYO)
Однорядный конический роликовый подшипник 56426/56650 (CX, ISO, TIMKEN)