Главная > Подшипники> Шариковые> Радиально-упорные>55TAH10DB

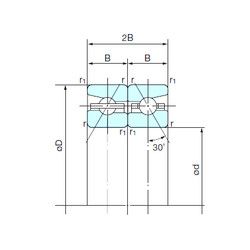
55TAH10DB — Радиально-упорный шарикоподшипник, импортное производство по ISO стандарту, размер 55x90x16 номер основного исполнения .
Производитель: NACHI.
D = профиль наружного кольца, усовершенствованный, с увеличенной зоной несущей нагрузки и оптимизированными краевыми переходами.
Цена по запросу
Цена на подшипник зависит от:
Габаритные размеры
Размеры и геометрические характеристики
Нагрузка и ресурс
Защита
Конструкция и исполнение
Подшипник роликовый радиальный 2111 М (ГПЗ-23)
Радиально-упорный шарикоподшипник 55BAR10S (NSK)
Радиально-упорный шарикоподшипник 55BAR10H (NSK)
Радиально-упорный шарикоподшипник 55TBH10DB (NACHI)
Радиально-упорный шарикоподшипник 55BTR10S (NSK)
Радиально-упорный шарикоподшипник 55BTR10H (NSK)