Главная > Подшипники> Шариковые> Упорные>55TAC100B

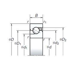
55TAC100B — Шариковый радиально-упорный подшипник однонаправленный, импортное производство по ISO стандарту, размер 55x100x20 номер основного исполнения .
Производитель: NSK.
С1 = Внутренний зазор подшипника меньше С2.
Цена по запросу
Цена на подшипник зависит от:
Габаритные размеры
Размеры и геометрические характеристики
Нагрузка и ресурс
Защита
Конструкция и исполнение
Осевой радиально-упорный шарикоподшипник 55TAB10 (NACHI)
Опорный подшипник шарико-винтовой передачи 55TAB10DF (NACHI)
Опорный подшипник шарико-винтовой передачи 55TAB10DB (NACHI)
Осевой радиально-упорный шарикоподшипник BS 55/100 7P62U (SNFA)
Осевой радиально-упорный шарикоподшипник BS 55/100 /S 7P62U (SNFA)
Прецизионный одинарный упорно-радиальный шарикоподшипник для винтовых передач BSD 55100 C (SKF)