Главная > Подшипники> Роликовые > Радиально-упорные>5595R/5535

5595R/5535 — Подшипник роликовый радиально-упорный, импортное производство по ISO стандарту, размер 65x122x43 номер основного исполнения .
Производитель: KOYO.
R = Наружное кольцо с фланцем .
Цена от:3 254 р.
Цена на подшипник зависит от:
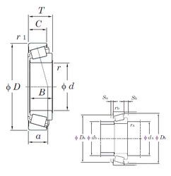
Габаритные размеры
Размеры и геометрические характеристики
Нагрузка и ресурс
Защита
Коэффициенты для расчета
Присоединительные размеры
Конструкция и исполнение
Конический роликоподшипник 5595/5535-B (TIMKEN)
Однорядный конический роликовый подшипник 5595/5535 (CX, ISO, TIMKEN)