Главная > Подшипники> Роликовые > Радиально-упорные>557S/552A

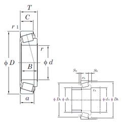
557S/552A — Однорядный конический роликовый подшипник, импортное производство по ISO стандарту, размер 53x123x38 номер основного исполнения .
Производится брендами: CX, FBJ, ISO, KOYO, NACHI, NIS, NSK, TIMKEN.
S = смазочный паз и три отверстия в наружном кольце подшипника.
Цена по запросу
Цена на подшипник зависит от:
Габаритные размеры
Размеры и геометрические характеристики
Нагрузка и ресурс
Защита
Коэффициенты для расчета
Присоединительные размеры
Конструкция и исполнение
Прочие характеристики