Главная > Подшипники> Роликовые > Радиально-упорные>5578R/5535

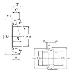
5578R/5535 — Подшипник роликовый радиально-упорный, импортное производство по ISO стандарту, размер 53x122x43 номер основного исполнения .
Производитель: KOYO.
R = Наружное кольцо с фланцем .
Цена от:3 860 р.
Цена на подшипник зависит от:
Габаритные размеры
Размеры и геометрические характеристики
Нагрузка и ресурс
Защита
Коэффициенты для расчета
Присоединительные размеры
Конструкция и исполнение
Конический роликоподшипник 4T-5578/5535 (NTN)
Однорядный конический роликовый подшипник 5578/5535 (CX, FBJ, ISO, TIMKEN)
Однорядный конический роликовый подшипник 5577/5535 (TIMKEN)