Главная > Подшипники> Роликовые > Радиально-упорные>555S/553X

555S/553X — Подшипник роликовый радиально-упорный, импортное производство по ISO стандарту, размер 57x122x38 номер основного исполнения .
Производится брендами: KOYO, NACHI.
S = смазочный паз и три отверстия в наружном кольце подшипника.
Цена от:1 364 р.
Цена на подшипник зависит от:
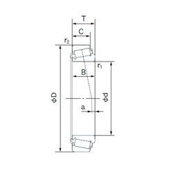
Габаритные размеры
Размеры и геометрические характеристики
Нагрузка и ресурс
Защита
Коэффициенты для расчета
Присоединительные размеры
Конструкция и исполнение