Главная > Подшипники> Роликовые > Радиально-упорные>554/552

554/552 — Подшипник роликовый радиально-упорный, импортное производство по ISO стандарту, размер 61x111x36 номер основного исполнения .
Производитель: KOYO.
Цена по запросу
Цена на подшипник зависит от:
Габаритные размеры
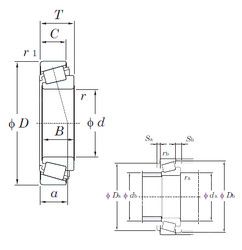
Размеры и геометрические характеристики
Нагрузка и ресурс
Защита
Коэффициенты для расчета
Присоединительные размеры
Конструкция и исполнение
Подшипник роликовый радиально-упорный 554/553X (KOYO, NACHI)
Подшипник роликовый радиально-упорный 554/553 (KOYO)