Главная > Подшипники> Роликовые > Радиально-упорные>55200CR/55437

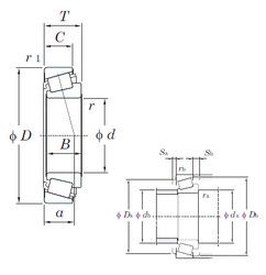
55200CR/55437 — Подшипник роликовый радиально-упорный, импортное производство по ISO стандарту, размер 50x111x26 номер основного исполнения .
Производитель: KOYO.
Однорядные радиальные роликоподшипники
Цена от:2 169 р.
Цена на подшипник зависит от:
Габаритные размеры
Размеры и геометрические характеристики
Нагрузка и ресурс
Защита
Коэффициенты для расчета
Присоединительные размеры
Конструкция и исполнение
Конический роликоподшипник 55200C/55437B (TIMKEN)
Конический роликоподшипник 55200/55437-B (TIMKEN)