Главная > Подшипники> Роликовые > Радиально-упорные>55187CR/55437

55187CR/55437 — Подшипник роликовый радиально-упорный, импортное производство по ISO стандарту, размер 47x111x26 номер основного исполнения .
Производитель: KOYO.
Однорядные радиальные роликоподшипники
Цена от:5 394 р.
Цена на подшипник зависит от:
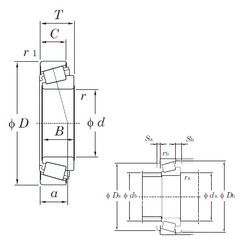
Габаритные размеры
Размеры и геометрические характеристики
Нагрузка и ресурс
Защита
Коэффициенты для расчета
Присоединительные размеры
Конструкция и исполнение