Главная > Подшипники> Роликовые > Радиально-упорные>55175/55443

55175/55443 — Подшипник роликовый радиально-упорный, импортное производство по ISO стандарту, размер 44x112x30 номер основного исполнения .
Производится брендами: KOYO, NACHI, TIMKEN.
Цена от:934 р.
Цена на подшипник зависит от:
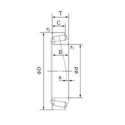
Габаритные размеры
Размеры и геометрические характеристики
Нагрузка и ресурс
Защита
Коэффициенты для расчета
Присоединительные размеры
Конструкция и исполнение
Однорядный конический роликовый подшипник 4T-55176/55443 (NTN)
Однорядный конический роликовый подшипник HM907635/HM907616 (TIMKEN)
Конический роликоподшипник 55176C/55443 (TIMKEN)