Главная > Подшипники> Шариковые> Упорные>54418X

54418X — Осевой радиальный шарикоподшипник, импортное производство по ISO стандарту, размер 90x190x143 номер основного исполнения 54418.
Производитель: NSK.
X = Внешние размеры, соответствующие международным стандартам.
Цена от:21 864 р.
Цена на подшипник зависит от:
| Обозначение | Модификация |
|---|---|
| 54418 | Основное конструктивное исполнение. |
| 54418U | |
| 54418XU | X = Внешние размеры, соответствующие международным стандартам. |
| 54418-MP | M = массивный латунный сепаратор. |
| 54418U+U418 | Резиновое уплотнение на каждой стороне подшипника. |
| 54418-MP+U418 | M = массивный латунный сепаратор. |
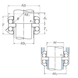
Габаритные размеры
Размеры и геометрические характеристики
Нагрузка и ресурс
Защита
Присоединительные размеры
Конструкция и исполнение
Другие размеры