Главная > Подшипники> Шариковые> Упорные>54414-MP+U414

54414-MP+U414 — Осевой радиальный шарикоподшипник, импортное производство по ISO стандарту, размер 55x150x114 номер основного исполнения 54414.
Производитель: NKE.
P = Литой сепаратор из стеклонаполненного полиамида 6,6, центрируемый по телам качения.
Цена по запросу
Цена на подшипник зависит от:
| Обозначение | Модификация |
|---|---|
| 54414 | Основное конструктивное исполнение. |
| 54414U | |
| 54414-MP | M = массивный латунный сепаратор. |
| 54414U+U414 | Резиновое уплотнение на каждой стороне подшипника. |
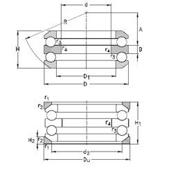
Габаритные размеры
Размеры и геометрические характеристики
Нагрузка и ресурс
Защита
Присоединительные размеры
Конструкция и исполнение
Другие размеры