Главная > Подшипники> Шариковые> Упорные>54411+U411

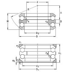
54411+U411 — Осевой радиальный шарикоподшипник, импортное производство по ISO стандарту, размер 45x120x92 номер основного исполнения 54411.
Производитель: NKE.
Цена по запросу
Цена на подшипник зависит от:
| Обозначение | Модификация |
|---|---|
| 54411 | Основное конструктивное исполнение. |
| 54411U | |
| 54411U+U411 | Резиновое уплотнение на каждой стороне подшипника. |
Габаритные размеры
Размеры и геометрические характеристики
Нагрузка и ресурс
Защита
Присоединительные размеры
Конструкция и исполнение
Другие размеры