Главная > Подшипники> Шариковые> Упорные>54407U

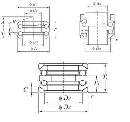
54407U — Подшипник шариковый упорный двойного направления, импортное производство по ISO стандарту, размер 35x80x69 номер основного исполнения 54407.
Производится брендами: KOYO, NACHI, NSK.
Цена от:5 056 р.
Цена на подшипник зависит от:
| Обозначение | Модификация |
|---|---|
| 54407 | Основное конструктивное исполнение. |
| 54407+U407 | |
| 54407U+U407 | Резиновое уплотнение на каждой стороне подшипника. |
Габаритные размеры
Размеры и геометрические характеристики
Нагрузка и ресурс
Защита
Присоединительные размеры
Конструкция и исполнение
Другие размеры