Главная > Подшипники> Шариковые> Упорные>54405+U405

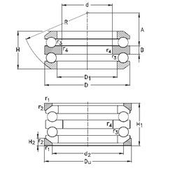
54405+U405 — Осевой радиальный шарикоподшипник, импортное производство по ISO стандарту, размер 15x60x49 номер основного исполнения 54405.
Производитель: NKE.
Цена по запросу
Цена на подшипник зависит от:
| Обозначение | Модификация |
|---|---|
| 54405 | Основное конструктивное исполнение. |
| 54405U | |
| 54405U+U405 | Резиновое уплотнение на каждой стороне подшипника. |
Габаритные размеры
Размеры и геометрические характеристики
Нагрузка и ресурс
Защита
Присоединительные размеры
Конструкция и исполнение
Другие размеры