Главная > Подшипники> Шариковые> Упорные>54324-MP

54324-MP — Подшипник шариковый упорный двойного направления, импортное производство по ISO стандарту, размер 100x210x131 номер основного исполнения 54324.
Производитель: NKE.
P = Литой сепаратор из стеклонаполненного полиамида 6,6, центрируемый по телам качения.
Цена по запросу
Цена на подшипник зависит от:
| Обозначение | Модификация |
|---|---|
| 54324 | Основное конструктивное исполнение. |
| 54324X | X = Внешние размеры, соответствующие международным стандартам. |
| 54324U | |
| 54324XU | X = Внешние размеры, соответствующие международным стандартам. |
| 54324U+U324 | Резиновое уплотнение на каждой стороне подшипника. |
| 54324-MP+U324 | M = массивный латунный сепаратор. |
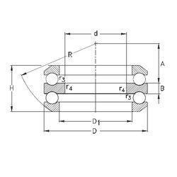
Габаритные размеры
Размеры и геометрические характеристики
Нагрузка и ресурс
Защита
Присоединительные размеры
Конструкция и исполнение
Другие размеры