Главная > Подшипники> Шариковые> Упорные>54322X

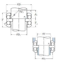
54322X — Осевой радиальный шарикоподшипник, импортное производство по ISO стандарту, размер 110x190x118 номер основного исполнения 54322.
Производитель: NSK.
X = Внешние размеры, соответствующие международным стандартам.
Цена от:29 098 р.
Цена на подшипник зависит от:
| Обозначение | Модификация |
|---|---|
| 54322 | Основное конструктивное исполнение. |
| 54322U | |
| 54322XU | X = Внешние размеры, соответствующие международным стандартам. |
| 54322-MP | M = массивный латунный сепаратор. |
| 54322U+U322 | Резиновое уплотнение на каждой стороне подшипника. |
Габаритные размеры
Размеры и геометрические характеристики
Нагрузка и ресурс
Защита
Присоединительные размеры
Конструкция и исполнение
Другие размеры