Главная > Подшипники> Шариковые> Упорные>54320-MP+U320

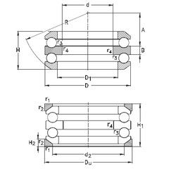
54320-MP+U320 — Осевой радиальный шарикоподшипник, импортное производство по ISO стандарту, размер 85x170x105 номер основного исполнения 54320.
Производитель: NKE.
P = Литой сепаратор из стеклонаполненного полиамида 6,6, центрируемый по телам качения.
Цена по запросу
Цена на подшипник зависит от:
| Обозначение | Модификация |
|---|---|
| 54320 | Основное конструктивное исполнение. |
| 54320U | |
| 54320-MP | M = массивный латунный сепаратор. |
| 54320U+U320 | Резиновое уплотнение на каждой стороне подшипника. |
| 54320 + U320 |
Габаритные размеры
Размеры и геометрические характеристики
Нагрузка и ресурс
Защита
Присоединительные размеры
Конструкция и исполнение
Другие размеры