Главная > Подшипники> Шариковые> Упорные>54315-MP

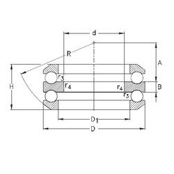
54315-MP — Осевой радиальный шарикоподшипник, импортное производство по ISO стандарту, размер 60x135x87 номер основного исполнения 54315.
Производитель: NKE.
P = Литой сепаратор из стеклонаполненного полиамида 6,6, центрируемый по телам качения.
Цена от:6 727 р.
Цена на подшипник зависит от:
| Обозначение | Модификация |
|---|---|
| 54315 | Основное конструктивное исполнение. |
| 54315U | |
| 54315U+U315 | Резиновое уплотнение на каждой стороне подшипника. |
| 54315 + U315 | |
| 54315-MP+U315 | M = массивный латунный сепаратор. |
Габаритные размеры
Размеры и геометрические характеристики
Нагрузка и ресурс
Защита
Присоединительные размеры
Конструкция и исполнение
Другие размеры