Главная > Подшипники> Шариковые> Упорные>54310+U310

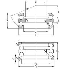
54310+U310 — Подшипник шариковый упорный, импортное производство по ISO стандарту, размер 40x95x64 номер основного исполнения 54310.
Производится брендами: FAG, ISB, NKE, SKF.
Цена от:3 829 р.
Цена на подшипник зависит от:
| Обозначение | Модификация |
|---|---|
| 54310 | Основное конструктивное исполнение. |
| 54310U | |
| 54310U+U310 | Резиновое уплотнение на каждой стороне подшипника. |
| 54310+2/U 310 |
Габаритные размеры
Размеры и геометрические характеристики
Нагрузка и ресурс
Защита
Коэффициенты для расчета
Присоединительные размеры
Конструкция и исполнение
Другие размеры
Прочие характеристики