Главная > Подшипники> Шариковые> Упорные>54226-MP

54226-MP — Осевой радиальный шарикоподшипник, импортное производство по ISO стандарту, размер 110x190x85 номер основного исполнения 54226.
Производитель: NKE.
P = Литой сепаратор из стеклонаполненного полиамида 6,6, центрируемый по телам качения.
Цена по запросу
Цена на подшипник зависит от:
| Обозначение | Модификация |
|---|---|
| 54226 | Основное конструктивное исполнение. |
| 54226X | X = Внешние размеры, соответствующие международным стандартам. |
| 54226U | |
| 54226XU | X = Внешние размеры, соответствующие международным стандартам. |
| 54226U+U226 | Резиновое уплотнение на каждой стороне подшипника. |
| 54226-MP+U226 | M = массивный латунный сепаратор. |
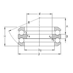
Габаритные размеры
Размеры и геометрические характеристики
Нагрузка и ресурс
Защита
Присоединительные размеры
Конструкция и исполнение
Другие размеры