Главная > Подшипники> Шариковые> Упорные>54224-MP+U224

54224-MP+U224 — Осевой радиальный шарикоподшипник, импортное производство по ISO стандарту, размер 100x170x71 номер основного исполнения 54224.
Производитель: NKE.
P = Литой сепаратор из стеклонаполненного полиамида 6,6, центрируемый по телам качения.
Цена по запросу
Цена на подшипник зависит от:
| Обозначение | Модификация |
|---|---|
| 54224 | Основное конструктивное исполнение. |
| 54224U | |
| 54224-MP | M = массивный латунный сепаратор. |
| 54224U+U224 | Резиновое уплотнение на каждой стороне подшипника. |
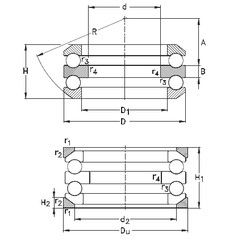
Габаритные размеры
Размеры и геометрические характеристики
Нагрузка и ресурс
Защита
Присоединительные размеры
Конструкция и исполнение
Другие размеры