Главная > Подшипники> Шариковые> Упорные>54220-MP+U220

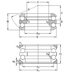
54220-MP+U220 — Осевой радиальный шарикоподшипник, импортное производство по ISO стандарту, размер 85x150x72 номер основного исполнения 54220.
Производитель: NKE.
P = Литой сепаратор из стеклонаполненного полиамида 6,6, центрируемый по телам качения.
Цена по запросу
Цена на подшипник зависит от:
| Обозначение | Модификация |
|---|---|
| 54220 | Основное конструктивное исполнение. |
| 54220U | |
| 54220-MP | M = массивный латунный сепаратор. |
| 54220U+U220 | Резиновое уплотнение на каждой стороне подшипника. |
| 54220 + U220 |
Габаритные размеры
Размеры и геометрические характеристики
Нагрузка и ресурс
Защита
Присоединительные размеры
Конструкция и исполнение
Другие размеры