Главная > Подшипники> Шариковые> Упорные>54218-MP

54218-MP — Осевой радиальный шарикоподшипник, импортное производство по ISO стандарту, размер 75x135x69 номер основного исполнения 54218.
Производитель: NKE.
P = Литой сепаратор из стеклонаполненного полиамида 6,6, центрируемый по телам качения.
Цена по запросу
Цена на подшипник зависит от:
| Обозначение | Модификация |
|---|---|
| 54218 | Основное конструктивное исполнение. |
| 54218U | |
| 54218U+U218 | Резиновое уплотнение на каждой стороне подшипника. |
| 54218 + U218 | |
| 54218-MP+U218 | M = массивный латунный сепаратор. |
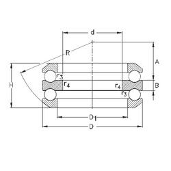
Габаритные размеры
Размеры и геометрические характеристики
Нагрузка и ресурс
Защита
Присоединительные размеры
Конструкция и исполнение
Другие размеры