Главная > Подшипники> Шариковые> Упорные>54214

54214 — Подшипник шариковый упорный двойного направления, импортное производство по ISO стандарту, размер 70x105x50 основное исполнение.
Производится брендами: CX, ISO, KOYO, NACHI, NSK.
Цена по запросу
Цена на подшипник зависит от:
| Обозначение | Модификация |
|---|---|
| 54214U | |
| 54214-MP | M = массивный латунный сепаратор. |
| 54214U+U214 | Резиновое уплотнение на каждой стороне подшипника. |
| 54214-MP+U214 | M = массивный латунный сепаратор. |
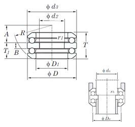
Габаритные размеры
Размеры и геометрические характеристики
Нагрузка и ресурс
Защита
Присоединительные размеры
Конструкция и исполнение
Другие размеры